Реле струму ORI. 0,1-1 А. 24-240 В AC / 24 В DC
Реле контролю струму призначене для контролю параметрів електричного струму в мережі і передачі команди виконавчим елементам.
Забезпечення захисту обладнання від перевантажень, а також сигналізації про необхідність його перевірки. Діапазон контрольованих значень струму від 0,1 до 1 А. Проста зручна індикація режимів роботи. Елементна база від провідних світових виробників. Кріплення на стандартну 35 мм DIN-рейку. Корпус з не підтримують горіння матеріалів.

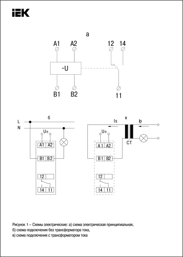
Схеми підключення реле струму.


Характеристики
| Основні | |
|---|---|
| Виробник | UEC |
| Країна виробник | Україна |
| Кількість замикаючих контактів | 1 шт. |
| Кількість розмикальних контактів | 1 шт. |
| Комутаційна зносостійкість | 1000000 циклів |
| Маса | 62 г |
| Світлодіод "Вкл./Викл" | Так |
| Світодіод "Перевантаження" | Так |
| Перетин проводів, що підключаються | 2.5 кв.мм |
| Термін служби | 5 років |
| Ступінь захисту IP | 20 |
| Номінальний струм перемикає групи контактів | 10 А |
| Габаритні розміри | |
| Висота | 64 мм |
| Довжина | 90 мм |
| Ширина | 18 мм |
| Комплект постачання | Прилад, пакувальна тара, керівництво користувача |
| Технічні характеристики | |
| Мінімальний струм спрацьовування | 0.1 А |
| Номінальна робоча напруга змінного струму | 250 В |
| Номінальна робоча напруга постійного струму | 24 В |
| Гарантійний термін | 12 місяців |
| Гістерезис | 5% |
| Діапазон вимірювання струму | 0,1 - 1 А |
| Діапазон відхилення напруги | - 15 + 10% |
| Діапазон спрацьовування по часу | (0,1 - 10) похибка 10% |
| Індикатор роботи реле | Зелений |
| Індикатор спрацьовування реле | червоний (R) |
| Клеми живлення котушки | А1 - А2 |
| Кількість груп перемикаючих контактів | 1 |
| Похибка установки | 5% |
| Споживана потужність | АС 00,9 - 3 ВА; DC 00,5 - 1,5 Вт |
| Граничні значення допусків | 5% ( 10% для струму 0,05 - 0,5 А) |
| Температура експлуатації | -20 до +55 С* |
| Тип монтажу | DIN - рейка 35 мм |
| Користувальницькі характеристики | |
| Механічна зносостійкість | 10000000 |
Інформація для замовлення
- Ціна: 1 067,85 ₴



